一、KD 底腳實心軸斜齒輪-傘齒輪減速機產品特性
國際先進的傳動裝置,機電一體化的齒輪減速電機已廣泛應用于各個領域。太興隆憑借強大的設計動力,引入全新的設計理念,以模塊組合體系為基礎,研究開發了模塊組合減速電機。
模塊組合允許減速器與下列部件組合:
1)與交流鼠籠電動機組合;
2)與交流鼠籠隔爆電動機組合;
3)與制動電動機組合;
4)與單向旋轉電動機組合;
5)與伺服電動機組合;
6)可提供不帶電動機的輸入軸聯接的減速器,或提供輸入端敞開的減速器,由客戶隨意組合。
K系列斜齒輪——傘齒輪減速電機齒輪采用優質合金鋼材料,表面硬化處理,經過高精度設備加工成形。鑄鐵箱體確保剛性強度,經精密加工,確保形狀與位置精度。具有承載能力強、壽命長、體積小、速比大、重量輕、效率高、噪聲低等優越性能。
K系列斜齒輪——傘齒減速電機共有12個型號。亦可與R系列斜齒輪減速電機組合成多級減速。
K系列減速電機提供了兩個機加工的底腳平面或B5法蘭、B14法蘭、力矩支撐架的聯接方式和多種安裝位置,輸出型式有實心軸、空心軸、花鍵空心軸和空心軸鎖緊盤。用戶可根據不同的要求任意選擇。
K系列減速電機配用的電動機為F級絕緣,IP54防護,380伏,50赫茲三相異步電動機,適合在周圍環境溫度-10℃~+40℃,海拔高度1000m條件下運行,如超出以上使用條件,請與我公司取得聯系。
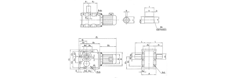
二、外形及安裝尺寸
三、規格參數
一、KD 底腳實心軸斜齒輪-傘齒輪減速機產品特性
國際先進的傳動裝置,機電一體化的齒輪減速電機已廣泛應用于各個領域。太興隆憑借強大的設計動力,引入全新的設計理念,以模塊組合體系為基礎,研究開發了模塊組合減速電機。
模塊組合允許減速器與下列部件組合:
1)與交流鼠籠電動機組合;
2)與交流鼠籠隔爆電動機組合;
3)與制動電動機組合;
4)與單向旋轉電動機組合;
5)與伺服電動機組合;
6)可提供不帶電動機的輸入軸聯接的減速器,或提供輸入端敞開的減速器,由客戶隨意組合。
K系列斜齒輪——傘齒輪減速電機齒輪采用優質合金鋼材料,表面硬化處理,經過高精度設備加工成形。鑄鐵箱體確保剛性強度,經精密加工,確保形狀與位置精度。具有承載能力強、壽命長、體積小、速比大、重量輕、效率高、噪聲低等優越性能。
K系列斜齒輪——傘齒減速電機共有12個型號。亦可與R系列斜齒輪減速電機組合成多級減速。
K系列減速電機提供了兩個機加工的底腳平面或B5法蘭、B14法蘭、力矩支撐架的聯接方式和多種安裝位置,輸出型式有實心軸、空心軸、花鍵空心軸和空心軸鎖緊盤。用戶可根據不同的要求任意選擇。
K系列減速電機配用的電動機為F級絕緣,IP54防護,380伏,50赫茲三相異步電動機,適合在周圍環境溫度-10℃~+40℃,海拔高度1000m條件下運行,如超出以上使用條件,請與我公司取得聯系。
二、外形及安裝尺寸
三、規格參數
